
AUTOMATIZACIÓN EQUIPOS -6A
Quiz by Román Soria Velasco
Feel free to use or edit a copy
includes Teacher and Student dashboards
Measure skillsfrom any curriculum
Measure skills
from any curriculum
Tag the questions with any skills you have. Your dashboard will track each student's mastery of each skill.
With a free account, teachers can
- edit the questions
- save a copy for later
- start a class game
- automatically assign follow-up activities based on students’ scores
- assign as homework
- share a link with colleagues
- print as a bubble sheet
10 questions
Show answers
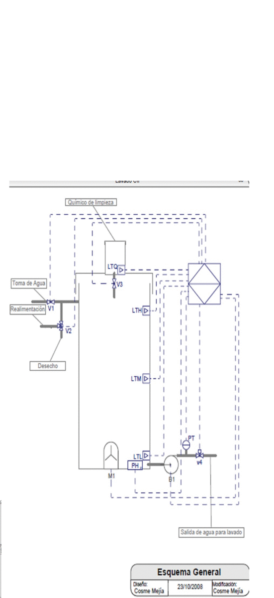
- Q1Revise el siguiente diagrama del sistema automático de limpieza y responda ¿Qué pasaría si el sensor de pH detecta que su valor no es el requerido y además el sensor de nivel LTH detecta que el tanque está lleno?Se cierra la válvula V4, se abre la válvula V1 y se enciende el mezclador M1Se apaga la bomba B1, se enciende el mezclador M1 y se abre la válvula V3Se apaga la bomba B1, se abren las válvulas V1 y V3Se cierra la válvula V4, se apaga la bomba B1 y se abre la válvula V130s
- Q2En el siguiente diagrama se pretende controlar la temperatura de la pulpa que sale del intercambiador IP-1. ¿Cómo se evita que la pulpa no sobrepase la temperatura de salida (55°C) mediante un control anticipativo?Controlando la temperatura de entrada de la pulpaDisminuyendo el caudal de entrada pulpaDisminuyendo el caudal del condensadoControlando la temperatura del condensado30s
- Q3El esquema general de un sistema automático de control según F. Torres se representa en el diagrama ADJUNTO: El diámetro promedio de las naranjas es igual a 7,06 cm, medido en la sección ecuatorial del fruto. La distancia entre el ápice y el pedúnculo de la naranja es igual a 6,81 cm. El sistema propuesto para automatizar el pelado de la cáscara de naranjas consta de un sensor de posición que señala el punto inicial del corte (ápice de la naranja) y otro que señala el punto final (pedúnculo). Mediante una línea de aire comprimido, la cuchilla de corte se mantiene pegada a la corteza de la naranja ejerciendo una fuerza constante de 0,2N para que el espesor de la corteza separada no sea superior a 5mm. El sistema funciona con un motor de 500w que acciona inmediatamente cuando otro sensor detecta la presencia de una naranja en el sistema y hace rotar la naranja ya sujeta mediante las mordazas insertadas tanto en el ápice como en el pedúnculo de la naranja. ¿Qué tipos de sensores son necesarios?Posición y fuerzaDistancia y torquePosición y distanciaFuerza y distancia30s
- Q4El esquema general de un sistema automático de control según F. Torres se representa en el diagrama ADJUNTO: El diámetro promedio de las naranjas es igual a 7,06 cm, medido en la sección ecuatorial del fruto. La distancia entre el ápice y el pedúnculo de la naranja es igual a 6,81 cm. El sistema propuesto para automatizar el pelado de la cáscara de naranjas consta de un sensor de posición que señala el punto inicial del corte (ápice de la naranja) y otro que señala el punto final (pedúnculo). Mediante una línea de aire comprimido, la cuchilla de corte se mantiene pegada a la corteza de la naranja ejerciendo una fuerza constante de 0,2N para que el espesor de la corteza separada no sea superior a 5mm. El sistema funciona con un motor de 500w que acciona inmediatamente cuando otro sensor detecta la presencia de una naranja en el sistema Y hace rotar la naranja ya sujeta mediante las mordazas insertadas tanto en el ápice como en el pedúnculo de la naranja. ¿Cuáles cifras no corresponden a las consignas?7,06 cm0,2N5 mm6,81cm30s
- Q5Qué tipo de medidor de presión escogería para automatizar un proceso de cocción en autoclave que trabaje a un máximo de 2 kg/cm2Tubo inclinadoBourdon espiralFuellePotenciómetro30s
- Q6¿Cuál de los siguientes sensores sería el recomendable instalar en la base del recipiente de mezcla de gran capacidad (varias toneladas) para que envíe la señal eléctrica de la variable monitoreada (el peso) al controlador?Dos tiras metálicas delgadas, donde una tira se dilata más que la otra.La presión hace variar la resistencia al paso de la corriente de un cuerpo metálico mezcla de cobre, manganeso y níquel.El movimiento producido por el diafragma se aprovecha para mover una de las placas de un capacitor.El movimiento hace variar la inductancia de una bobina inserta en un circuito eléctrico30s
- Q7El molino manual para pasta de maní tiene un disco móvil y otro fijo. La distancia entre los discos determina el tamaño de la partícula que sale después de girar los discos para reducir su tamaño. A mayor velocidad de giro, con la misma distancia entre discos, las partículas podrían ser:Todas más finasLa mayor proporción de partículas serán más finasTodas del mismo tamañoLa mayor proporción del mismo tamaño30s
- Q8En la figura siguiente se indica un sistema para medir el nivel de un líquido que se evapora. ¿Cual NO es la función del ramal de compensación.?Evitar daños en el sensor LTMedir la presión del gasPermitir que el ramal de alta presión detecte el nivelc. Compensar la presión del gas30s
- Q9Se requiere automatizar la regulación de temperatura en la mordaza de un equipo que envasa bolos en fundas de plástico termo-formadas a partir de una lámina de polietileno. El tipo se selladora seleccionada presenta dos sistemas, el primero que se encarga de un sellado vertical que da la forma de tubo a la película de polietileno y el segundo encar-gado de realizar un sellado horizontal, dando la forma final a la funda. La máquina presenta dificultades en su funcionamiento tales como: Incremento en el consumo de energía eléctrica, Bolos mal sellados, Frecuentes paradas para recalibrar la temperatura de la mordaza vertical que forma la funda. Después de una revisión más detallada del equipo se verificó que el sistema de enfriamiento de la mordaza tiene fugas de refrigerante. En consecuencia, después de cierto tiempo se hace necesario recalibrar el regulador de la resistencia eléctrica que eleva la temperatura de la mordaza hasta los va-lores recomendados por el fabricante. A pesar de la re-calibración no desaparecen las fundas mal selladas y cada vez es necesario elevar más, incluso sobrepasar, los valores recomendados por el fabricante. Por su elevado costo, el propietario de la envasadora no desea reemplazar la pieza defectuosa. En el Cuadro siguiente se observa la evolución de la temperatura de la mordaza con relación a la temperatura fijada o deseada. *El sello es normal **Se presentan defectos Revisando los datos señalados en el cuadro anterior ¿Cuál de las siguientes hipótesis probaría usted para solucionar el problema?La ganancia proporcional es insuficiente para corregir el errorLa temperatura de la mordaza desciende hasta valores críticos en 30 minutosEl controlador no corrige el incremento del errorEl error de la temperatura en la mordaza aumenta con el tiempo y la respuesta del controlador disminuye30s
- Q10¿En qué consisten las especificaciones de desempeño?Elaborar el diagrama de flujo del procesoEscoger los mecanismos de control del procesoEstablecer los valores de las variables que controlarán el procesoDefinir el procedimiento para la elaboración del producto30s
